首頁
公司簡介
關於翔允
營業項目
最新消息
產品與服務
軸承
深溝滾珠軸承
接觸角滾珠軸承
自動調心滾珠軸承
圓筒滾子軸承
圓錐型滾子軸承
自動調心滾子軸承
止推滾軸承
針狀推力軸承
自動調心止推滾子軸承
其他滾針軸承
桿端關節軸承
液壓用桿端關節軸承
自潤直線軸承
連座軸承
金屬複合自潤軸承
銅自潤軸承
鋼球襯套
魚眼關節軸承
單向軸承
針狀軸承
附推力軸承之針狀軸承
瑞桿軸承(魚眼珠)球面軸承
針狀凸輪CF系列
滑軌系列交叉滾子
AKS鋼珠直徑表
線性滑軌
BR-全鋼珠系列
BC-鏈帶型系列
雙軸心系列
單軸心系列
BM-微型系列
精密線性滑軌
自潤式線性軸承
線性滑軌
LMG全鋼珠系列
LMGQ靜音線性滑軌
LMN.LMNW微型.寬型線性滑軌
LMR滾柱型線性滑軌
滾珠螺桿
TGK技術資料
轉造研磨系列
行星式滾柱螺桿
TGK訂製規格對照表
螺桿支撐座
TGK規格品
聯軸器
免鍵式軸套
精密滑台.電動缸 XXY-TABLE-STAGE
無塵室型機器人
電動旋轉機器人
XXY平面機器人
XXY平面機器人單體模組
手動微調平台系列
不鏽鋼軸承
不鏽鋼連座軸承
軸心
鋁擠型系列
伺服馬達用減速機
扭力限制器
直線軸承系列
空壓式離合器 制動器空壓 安全夾頭系列
聯絡我們
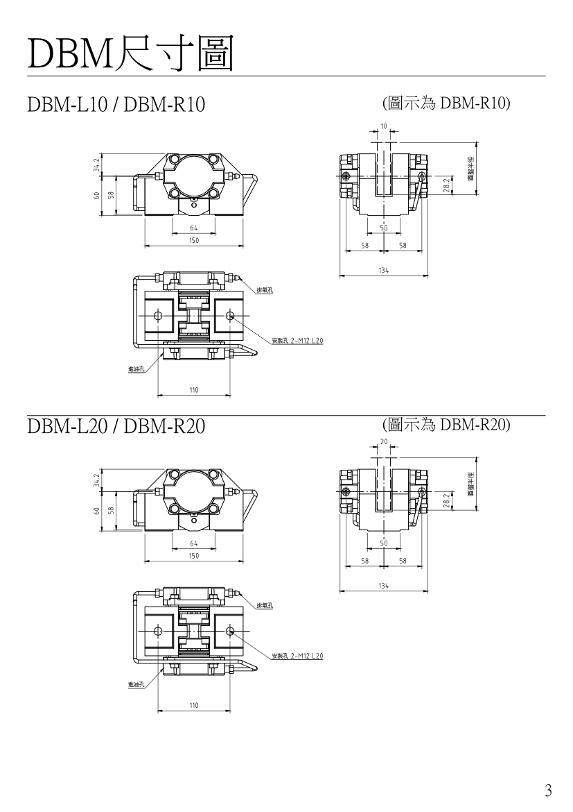
DBM型 油壓蝶式制動器
首頁
產品與服務
空壓式離合器 制動器空壓 安全夾頭系列
DBM型 油壓蝶式制動器
Previous
Next
DBM型 油壓蝶式制動器
回上頁
新增產品詢問
×
DBM型 油壓蝶式制動器
聯絡人 *
公司名稱 *
職稱
聯絡電話 *
電子郵件 *
國家
Taiwan
Afghanistan
Albania
Algeria
American Samoa
Andorra
Angola
Anguilla
Antarctica
Antigua and Barbuda
Argentina
Armenia
Aruba
Australia
Austria
Azerbaijan
Bahamas
Bahrain
Bangladesh
Barbados
Belarus
Belgium
Belize
Benin
Bermuda
Bhutan
Bolivia
Bosnia and Herzegovina
Botswana
Bouvet Island
Brazil
British Antarctic Territory
British Indian Ocean Territory
British Virgin Islands
Brunei
Bulgaria
Burkina Faso
Burundi
Cambodia
Cameroon
Canada
Canton and Enderbury Islands
Cape Verde
Cayman Islands
Central African Republic
Chad
Chile
China
Christmas Island
Cocos [Keeling] Islands
Colombia
Comoros
Congo - Brazzaville
Congo - Kinshasa
Cook Islands
Costa Rica
Croatia
Cuba
Cyprus
Czech Republic
Côte d’Ivoire
Denmark
Djibouti
Dominica
Dominican Republic
Dronning Maud Land
East Germany
Ecuador
Egypt
El Salvador
Equatorial Guinea
Eritrea
Estonia
Ethiopia
Falkland Islands
Faroe Islands
Fiji
Finland
France
French Guiana
French Polynesia
French Southern Territories
French Southern and Antarctic Territories
Gabon
Gambia
Georgia
Germany
Ghana
Gibraltar
Greece
Greenland
Grenada
Guadeloupe
Guam
Guatemala
Guernsey
Guinea
Guinea-Bissau
Guyana
Haiti
Heard Island and McDonald Islands
Honduras
Hong Kong SAR China
Hungary
Iceland
India
Indonesia
Iran
Iraq
Ireland
Isle of Man
Israel
Italy
Jamaica
Japan
Jersey
Johnston Island
Jordan
Kazakhstan
Kenya
Kiribati
Kuwait
Kyrgyzstan
Laos
Latvia
Lebanon
Lesotho
Liberia
Libya
Liechtenstein
Lithuania
Luxembourg
Macau SAR China
Macedonia
Madagascar
Malawi
Malaysia
Maldives
Mali
Malta
Marshall Islands
Martinique
Mauritania
Mauritius
Mayotte
Metropolitan France
Mexico
Micronesia
Midway Islands
Moldova
Monaco
Mongolia
Montenegro
Montserrat
Morocco
Mozambique
Myanmar [Burma]
Namibia
Nauru
Nepal
Netherlands
Netherlands Antilles
Neutral Zone
New Caledonia
New Zealand
Nicaragua
Niger
Nigeria
Niue
Norfolk Island
North Korea
North Vietnam
Northern Mariana Islands
Norway
Oman
Pacific Islands Trust Territory
Pakistan
Palau
Palestinian Territories
Panama
Panama Canal Zone
Papua New Guinea
Paraguay
People's Democratic Republic of Yemen
Peru
Philippines
Pitcairn Islands
Poland
Portugal
Puerto Rico
Qatar
Romania
Russia
Rwanda
Réunion
Saint Barthélemy
Saint Helena
Saint Kitts and Nevis
Saint Lucia
Saint Martin
Saint Pierre and Miquelon
Saint Vincent and the Grenadines
Samoa
San Marino
Saudi Arabia
Senegal
Serbia
Serbia and Montenegro
Seychelles
Sierra Leone
Singapore
Slovakia
Slovenia
Solomon Islands
Somalia
South Africa
South Georgia and the South Sandwich Islands
South Korea
Spain
Sri Lanka
Sudan
Suriname
Svalbard and Jan Mayen
Swaziland
Sweden
Switzerland
Syria
São Tomé and Príncipe
Tajikistan
Tanzania
Thailand
Timor-Leste
Togo
Tokelau
Tonga
Trinidad and Tobago
Tunisia
Turkey
Turkmenistan
Turks and Caicos Islands
Tuvalu
U.S. Minor Outlying Islands
U.S. Miscellaneous Pacific Islands
U.S. Virgin Islands
Uganda
Ukraine
Union of Soviet Socialist Republics
United Arab Emirates
United Kingdom
United States
Unknown or Invalid Region
Uruguay
Uzbekistan
Vanuatu
Vatican City
Venezuela
Vietnam
Wake Island
Wallis and Futuna
Western Sahara
Yemen
Zambia
Zimbabwe
Åland Islands
聯絡主旨 *
詢問內容 *
DBM型 油壓蝶式制動器
/archive/product/item/空壓式離合器 制動器 安全夾頭系列 - pdf